HOME     l    SITE MAP    l    CONTACT

 

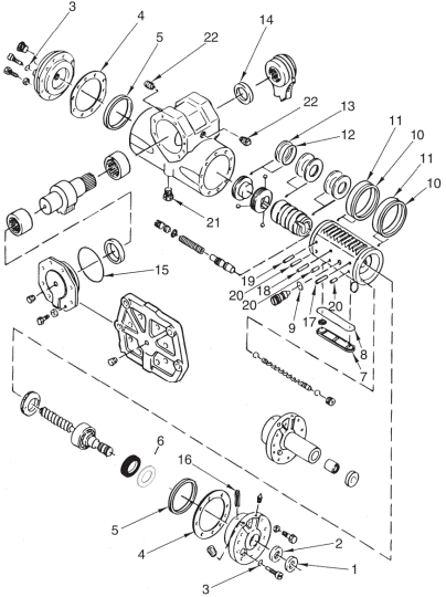
SHEPPARD 292 & 392 SERIES 6

INPUT SEAL KIT INCLUDES ITEMS 1, 2, 4-6, 16
OUTPUT SEAL KIT INCLUDES ITEMS 14, 15
COMPLETE SEAL KIT INCLUDES ITEMS 1-22

Copyright © 2009 Pro Steering Systems, Inc. All rights reserved.